Новини

Значення креслень арматури для закупівлі арматури

1. Забезпечте точне узгодження розмірів і інтерфейсів (найважливіший аспект)

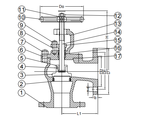
Це найбільш безпосередня і важлива функція креслень. Клапани повинні бути встановлені в системі трубопроводів, а їх розміри та сполучення мають бути повністю сумісними з існуючими трубами.

Спосіб з’єднання: на кресленнях буде чітко вказано, чи це з’єднання фланцеве, з’єднання під стикове зварювання, різьбове з’єднання чи затискне з’єднання.

Конструктивна довжина: на кресленнях буде точно вказано відстань між торцевими поверхнями клапанів, що гарантує, що їх можна встановити у відведений простір трубопроводу.

Стандарти та технічні характеристики фланців: якщо це фланцеве з’єднання, на кресленні буде вказано стандарт фланців (наприклад, національний стандарт GB, американський стандарт ANSI, німецький стандарт DIN, японський стандарт JIS), номінальний тиск (наприклад, PN16, Class150), тип ущільнювальної поверхні (наприклад, RF рельєфна поверхня, FF плоска поверхня), міжцентрова відстань болтового отвору та діаметр отвору тощо. Будь-яка невідповідність будь-якої деталі перешкоджатиме встановленню.

Розміри порту: чітко вкажіть номінальний діаметр (DN) або номінальний розмір труби (NPS) клапана.

Якщо немає креслень: придбані клапани можуть не співпадати з фланцями труби, отвори під болти можуть не збігатися, або довжина клапана може бути занадто довгою/короткою, що призводить до неможливості встановлення. Це вимагає повторного придбання або модифікації трубопроводу, що спричиняє величезні витрати робочої сили, матеріальних ресурсів і часу.

2. Чітко визначте рівень тиску та вимоги до матеріалів

Клапан повинен безпечно працювати за певних умов тиску та середовища.

Номінальний тиск: креслення вказують на проектний тиск,робочий тискі відповідний клас тиску (наприклад, PN40, Class300) клапана. Це безпосередньо впливає на товщину оболонки, ефективність ущільнення та коефіцієнт безпеки клапана. Надзвичайно небезпечно купувати клапани з низьким номінальним тиском для систем високого тиску.

Матеріал корпусу клапана: на кресленнях буде вказано корпус клапана, кришку клапана, диск клапана, шток клапана, ущільнювальний матеріал тощо (наприклад, вуглецева сталь WCB, CF8M (нержавіюча сталь 316), дуплексна сталь, сплав монель тощо). Неправильний вибір матеріалу може призвести до швидкого пошкодження клапана в корозійних середовищах, що призведе до витоку або нещасних випадків.

3. Визначити тип і режим роботи вентиля

Креслення чітко визначають тип клапана та способи його експлуатації.

Тип клапана: це засувка, прохідна засувка, кульовий кран, поворотний клапан або зворотний клапан? Креслення чітко показує його унікальний структурний вид у розрізі, що робить його легким для розуміння.

Спосіб роботи: маховичок, коробка передач, електричний привід, пневматичний привід або гідравлічний привід? На кресленні буде вказано розміри інтерфейсу та вимоги до моделі приводного пристрою (для приводного клапана).

4. Підтвердити внутрішню структуру та стандарти

Конструктивні деталі: креслення (особливо розрізи) показують форму каналів потоку, конструкцію сідел клапана та ущільнень, які безпосередньо впливають на характеристики потоку (значення Cv), втрати опору та ефект ущільнення клапана.

Стандарти виробництва та перевірки: креслення зазвичай вказують на стандарти, відповідно до яких розроблено, виготовлено та перевірено клапани (наприклад,API 600, API 6D, GB/T 12234 тощо). Ці стандарти є основою для забезпечення якості та продуктивності клапанів.

5. Як підстава для прийняття та вирішення суперечок

Критерії приймання: Відділ інспекції якості відділу закупівель повинен перевірити та прийняти придбані клапани на основі всіх параметрів, зазначених у кресленнях, гарантуючи, що фізичні елементи повністю відповідають вимогам проекту.

Має юридичну силу: креслення є частиною технічного додатку до договору. Якщо товари, надані постачальником, не відповідають кресленням, томалюнкистане найвагомішим доказом для витребування компенсації та вирішення суперечок.

Резюме та рекомендації

Креслення арматури служать «технічною мовою» та «уніфікованим стандартом», який поєднує процеси проектування, закупівлі, встановлення та приймання.

Поради для персоналу закупівель:

Необхідно вимагати креслення: перш ніж звертатися до постачальника та розміщувати замовлення, обов’язково отримайте останні та чіткі креслення арматури від конструкторського відділу або від клієнта (зазвичай у форматі PDF або в паперовій формі).

Ретельна перевірка: звірте ключову інформацію на кресленнях (наприклад, модель, діаметр, номінальний тиск, матеріал, стандарт з’єднання) із замовленням на купівлю та технічною угодою.

Передайте постачальникам: надайте повні креслення потенційним постачальникам і вимагайте від них надати письмове підтвердження того, що вони повністю розуміють і можуть виробляти відповідно до креслень.

Проведіть приймальну перевірку згідно з кресленнями: після надходження товару необхідно спільно співпрацювати з відділом перевірки якості та провести сувору приймальну перевірку на основі креслень.

Ігнорування важливості креслень арматури та здійснення покупок виключно на основі словесного опису чи простої моделі може легко призвести до катастрофічних наслідків. Кінцева вартість значно вища, ніж інвестиції, зроблені у ретельну перевірку креслень перед покупкою.

Схожі новини
Залиште мені повідомлення
X
Ми використовуємо файли cookie, щоб запропонувати вам кращий досвід перегляду, аналізувати трафік сайту та персоналізувати вміст. Використовуючи цей сайт, ви погоджуєтеся на використання файлів cookie. Політика конфіденційності
Відхиляти прийняти